转子发动机在碳排放、燃油经济性和后期保养等方面一直存在问题,即使是马自达这样执着于转子发动机的品牌,也在RX8之后停止在量产车上搭载转子发动机,但随着技术的进步,马自达的转子发动机即将复活,目前已经申请了三转子内燃机+轮毂电机组合的混动系统,未来将打造于后驱车上,这项技术到底怎么样,下面我们来详细分析。

三转子发动机+轮毂电机
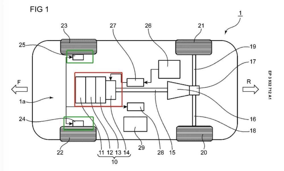
在马自达申请的专利图中,可以看到是一种混合动力驱动单元,该驱动单元整体布局于车辆的中心,以实现最佳的前后重量分布,降低整车的重心,同时电动机和内燃机配备共享的冷却系统。如下图,红框中的是三转子内燃机,而绿框内的是独立的轮毂电机,转子发动机通过传动轴将动力输出到后轮,轮毂电机负责驱动前轮,形成四驱系统。
